
История фотонабора: от рассвета до заката. Часть 1
Фотографические характеристики штрихов
Дальнейшее развитие фотонабора
Комплексы фотонаборного оборудования
За сто с небольшим лет в развитии фотонаборной техники произошел существенный
научно-технический прогресс, который в свое время привел к расцвету фотонабора, то есть к его широкому применению во всем мире, а сегодня — к его закату в связи
с прямой записью печатных форм.
В развитии фотонабора от появления первых работоспособных механических фотонаборных машин, позволявших получить фотографическое изображение отдельных букв и строк текста,
до создания автоматизированных систем обработки текстовой и изобразительной информации, обеспечивающих изготовление комплектов цветоделенных фотоформ или печатных форм в полном формате печатного листа и даже изготовление такой формы непосредственно на формном цилиндре цифровой печатной машины, можно выделить несколько основных этапов.
Каждый этап ознаменовался созданием принципиально новых конструкций фотонаборной техники, получением значительного эффекта от их применения в производстве по сравнению
с предшествующим поколением машин. Создание нового класса фотонаборных машин
и комплектующего оборудования было обусловлено применением новых прогрессивных технологических и технических решений на основе научно-технических достижений в электронике
и автоматике, телевидении и средствах связи, электронно-вычислительной технике, лазерных и информационных технологиях.
К созданию фотонабора привело развитие способов офсетной и глубокой печати, которые требовали для изготовления печатных форм предварительного получения текстовых фотоформ.
Приоритет в изобретении и практическом осуществлении фотонаборной машины принадлежит русскому изобретателю В.А. Гассиеву. В 1894 году он сконструировал первую в мире модель фотонаборной машины. В 1900м Комитет по техническим делам выдал изобретателю официальную привилегию, подтвердив тем самым оригинальность его изобретения.
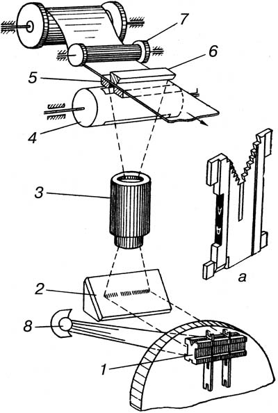
Основным элементом этой машины (рис. 1) является стеклянный зачерненный диск 1, вращающийся со скоростью ~120 об./мин. На этой же оси имеется кулачок 2 с пружинной щеткой 3, касающейся контактных плашек коммутационного кольца 4.

Рис. 1. Первая модель фотонаборной машины, построенная В.А. Гассиевым
Плашки коммутатора соединены проводником с металлическими клавишами 5 клавиатурной доски 6. В момент набора стержень 7 приходит в контакт с соответствующей клавишей доски. В стеклянный стакан 8 с ртутью погружен платиновый стержень 9, укрепленный на якоре электромагнита 10. Ртуть и стержень включены в контур 11, состоящий из батареи и катушки самоиндукции 12. При выдергивании стержня из ртути возникает искра, освещающая через конденсор 13 букву на диске, попавшую в этот момент в объектив фотокамеры 14.
Совпадение буквы с оптической осью объектива определяется положением щетки, прикасающейся в данный момент к плашке. Эта плашка соединена с клавишей на клавиатурной доске и замыкает ток электромагнита 15. В этот момент возникает искра. Продолжительностью разряда, вызывающего искру, и определяется время экспонирования при фотографировании каждого отдельного знака. В процессе набора диск поворачивается на угол, соответствующий положению следующего знака. Этот знак вызывается контактным стержнем, вводимым в соприкосновение с клавишей клавиатурной доски.
Это была первая, но не единственная модель — впоследствии В.А. Гассиев построил более пяти моделей. Последняя из них была наиболее совершенной. На этой машине В.А. Гассиев получил образец текста на фотоматериале.
Советское правительство высоко оценило заслуги В.А. Гассиева. 29 июня 1950 года Указом Президиума Верховного Совета СССР «За плодотворную изобретательскую деятельность в области техники» он был награжден орденом Трудового Красного Знамени. Ему присвоили почетное звание заслуженного деятеля науки и техники.
Заслугой В.А. Гассиева является то, что он создал фотонаборную машину с вращающимся шрифтоносителем. Машины этого класса, которые впоследствии стали называться электронномеханическими с вещественным шрифтоносителем, получили широкое распространение.
Первые работоспособные фотонаборные машины были построены на базе наборнолитейных машин. Они обеспечивали механический фотонабор отдельных строк и гранок текста. Все основные технологические операции в них выполнялись механическими системами. Представление знаков шрифта осуществлялось в аналоговой форме на вещественных шрифтоносителях, в качестве которых использовались фотоматрицы. Каждая фотоматрица содержала негативное изображение одного знака и была по форме и размерам подобна матрице линотипа или монотипа. Вывод знака на оптическую ось осуществлялся механическим способом, а масштабирование знака при его фотографировании — за счет изменения коэффициента увеличения оптической системы. В оптикомеханических фотонаборных машинах создание скрытого фотографического изображения строк текста происходило путем побуквенного фотографирования изображения знаков фотоматриц, которые в момент фотографирования были неподвижны.
Выводом шрифтовых знаков на оптическую ось, то есть установкой знаков в положение фотографирования, управлял оператор, осуществлявший прямой ввод текстовой информации с клавиатуры. Формирование строки при этом происходило в полуавтоматическом режиме: оператор в конце набора строки текста принимал решение о ее окончании и давал соответствующую команду, а расчет выключки (доведение строки до заданного формата) по этой команде выполнялся механической системой.

Рис. 2. Фотоматрица машины «Фотосеттер»: 1 — негативное изображение; 2 и 3 — прозрачные пленки
Одной из наиболее совершенных моделей оптикомеханической фотонаборной машины, построенных на базе наборной строкоотливной машины с круговым обращением матриц, была модель «Фотосеттер», разработанная фирмами «Интертайп Корпорейшен» и «ХаррисИнтертип ГмБХ» (ФРГ). Эта машина получила широкое распространение.
Используемые в «Фотосеттере» фотоматрицы по форме и размерам подобны матрицам линотипа. На широких боковых гранях фотоматриц (рис. 2) закреплена пленка с негативным изображением знака, а на узких гранях расположены контрольное очко и паз для юстировки при фотосъемке.
Фотокамера фотонаборной машины (рис. 3), сконструированной на основе линотипа, состояла из вертикально перемещающейся съемной кассеты, револьверной головки с восемью объективами и механизма, устанавливающего фотоматрицы (по одной) перед объективом, где они задерживались для проецирования, а затем переходили на распределительный аппарат.

Рис. 3. Схема процесса фотографирования строки в оптико-механической фотонаборной машине «Фотосеттер»
При этом фотоматрицы были аналогичны линотипным, за исключением того, что вместо углубленного изображения знака на их широких боковых гранях было небольшое окошко с закрепленной пленкой с негативным изображением шрифтового знака.
После подъема верстатки строка из фотоматриц 1 поступала в промежуточный канал, где выключающее устройство фиксировало размер незаполненной части формата. Одновременно кассета с пленкой 2 устанавливалась в верхнее положение, а зубчатый привод сцеплялся с транспортными салазками 3. По мере того как фотоматрицы поштучно подавались вверх, кассета каждый раз опускалась на толщину данной фотоматрицы. При подъеме очередная фотоматрица 4 останавливалась перед объективом 5, центрировалась и просвечивалась лучом света от лампы 6, передававшим изображение шрифтового знака на светочувствительную пленку с требуемым увеличением в зависимости от кегля набора текста и кегля знаков на фотоматрице. После проецирования фотоматрицы собирались в строку 7 и передавались на распределение по каналам магазина так же, как в строкоотливной наборной машине.

Рис. 4. Схема фотоаппарата машины НФС
В отечественной фотонаборной машине НФС, разработанной коллективом сотрудников НИИ Полиграфмаш (19521954 гг.), использованы наборный и разборочный аппараты наборной строкоотливной машины Н5, а литейная система заменена автоматическим фотографирующим устройством, которое построчно проецирует текст на фотоматериал. Фотоматрицы подобны линотипным матрицам, но с белым очком на черном фоне (рис. 4а). Шпационные клинья имеют черные рабочие грани. Продукция машины НФС — текстовый диапозитив, формат строки — 530 цицеро. Максимальная длина пленки — 10 м. Производительность машины — 68 строк в минуту. Кегль шрифта — от 6 до 14 п., причем базовый кегль шрифта на фотоматрицах — 10 и 12 п.
Машина функционирует следующим образом. В результате работы наборщика на клавиатуре получается строка фотоматриц, которая устанавливается перед щелью фотоаппарата, очко строки освещается через эту щель ртутнокварцевой лампой. Выключка и линирование матричной строки производятся обычным путем. Фотоаппарат связан цепной передачей с главным валом, при вращении которого приводится в действие механизм кассеты фотоаппарата. Пленка, находящаяся в кассете, перематывается, выравнивается и приводится в фокальную плоскость. Затем срабатывает затвор, и строка экспонируется на пленке. Матричная строка после фотографирования разбирается обычным порядком.
Механизм экспонирования матричноклиновой строки 1 (рис. 4б) состоит из отражающего зеркала 2, объектива 3 и затвора 4 (цилиндр с прорезями). Кроме механизмов экспонирования, в специальной кассете машины установлены механизмы прижима и транспортировки пленки. Механизм прижима действует в момент съемки строки и состоит из прижимной рамки 5 и резиновой колодки 6. В механизм транспортировки входят направляющие ролики 7 и транспортная колодка.
В момент экспонирования матричная строка освещается лампой 8 с рефлектором, вместе с которым она вмонтирована в кожух.
Экспериментальный образец машины НФС был изготовлен и прошел производственные испытания в 1954 году. Однако вследствие ограниченных технологических возможностей машины, а особенно изза сложности изготовления фотоматриц серийный выпуск таких машин не был осуществлен.
При создании фотонаборного автомата «Монофото» фирмы «Монотайп Корпорейшн Лтд» (Англия) за основу была принята конструкция буквоотливного автомата «монотип». В машине «Монофото» текст на фотоматериале воспроизводится автоматически по программе, закодированной на перфоленте.
Шрифтовая рамка фотонаборного автомата содержит 272 или 340 фотоматриц, несущих негативное изображение очка. Фотоматрицы комплектуются в рамке в соответствии с особенностями набираемого текста. С фотоматриц трех базовых кеглей можно получить на пленке шрифты кеглем от 6 до 24 п. Максимальный формат набора — 14 кв. Скорость фотографирования — 34 зн./с. Перемещение шрифтовой рамки для вывода нужного знака в позицию экспонирования производится таким же механизмом, как в машине «монотип».
Оптикомеханические фотонаборные машины, техническая характеристика и конструкция которых основаны на базе механических наборнолитейных машин, имели ряд технологических недостатков. Основными из них являлись: крайне малый ассортимент знаков для одновременного набора; низкая скорость фотографирования, ограниченная возможностями работы оператора на клавиатуре и механических систем и устройств; малая кегельность набора (диапазон и количество кеглей набора); отсутствие возможностей трансформации шрифтовых знаков для получения модифицированного шрифта (узкого, широкого, наклонного и т.д.); формирование строк оператором, что снижало производительность набора; аналоговый способ хранения знаков на шрифтовых матрицах, который исключал оперативное дополнение знакового состава без участия заводаизготовителя фотонаборной машины; оптический способ изменения кегля, что приводило к разной оптической плотности изображения знаков для разных кеглей; выполнение корректуры, верстки, монтажа иллюстраций и полноформатных фотоформ с помощью трудоемких ручных процессов.
Широкое внедрение фотонабора, несмотря на такие преимущества перед «горячим» набором, как более высокая скорость набора, существенно более широкий ассортимент шрифтовых знаков для одновременного набора, отсутствие быстроизнашивающихся и дорогостоящих латунных матриц, отсутствие вредных изза угара свинца литейных процессов, высокое качество получаемых на фотоматериале изображений знаков и т.п., началось только с появлением электронномеханических фотонаборных автоматов с групповыми шрифтоносителями в виде прозрачных дисков или цилиндров.
Изображение знаков на фотоматериале в электронномеханических фотонаборных машинах с вещественным шрифтоносителем получают путем фотографирования знаков, находящихся на шрифтоносителе. В большинстве фотонаборных машин фотографируют в проходящем свете с негативного изображения знаков, нанесенного на непрозрачную основу шрифтоносителя. При этом световой поток, несущий изображение знака, проходит оптическую систему и попадает на светочувствительный слой фотоматериала, на котором образуется скрытое фотографическое изображение.
В фотонаборных машинах с вещественным шрифтоносителем применяются групповые и индивидуальные шрифтоносители. Групповой шрифтоноситель, в отличие от индивидуального, несущего на себе изображение одного какоголибо знака, содержит изображение целого комплекта знаков.
Из существующего многообразия групповых шрифтоносителей можно выделить их основные типы, систематизировав по следующим характерным признакам:
1. По геометрической форме:
а) цилиндрические шрифтоносители, у которых знаки расположены параллельными рядами по окружности на образующей поверхности;
б) дисковые шрифтоносители, на которых знаки расположены рядами по концентрическим окружностям;
в) линейные шрифтоносители, представляющие собой гибкую ленту с расположенными на ней знаками в один ряд или несколько параллельных рядов;
г) плоские шрифтоносители, выполненные в виде прямоугольных (часто квадратных) пластин или рамок, на которых знаки расположены параллельными рядами в двух взаимно перпендикулярных направлениях.
2. По виду материала шрифтоносителя:
а) стеклянные, на непрозрачную основу которых фотоспособом нанесено негативное изображение знаков;
б) пленочные, изготовленные непосредственно из высококачественной фотопленки.
3. По характеру движения:
а) неподвижные шрифтоносители, которые в процессе позначного фотографирования текста остаются неподвижными, а перемещение их возможно только при замене одного шрифтоносителя на другой;
б) непрерывно вращающиеся шрифтоносители, совершающие в процессе фотонабора текста вращение с постоянной скоростью;
в) шрифтоносители с дискретным перемещением, которые для установки знака в положение фотографирования осуществляют возвратнопоступательное или вращательное движение и остаются неподвижными в момент фотографирования знака.
4. По характеру использования:
а) основные шрифтоносители, которые содержат основной ассортимент знаков и постоянно применяются для набора текста;
б) дополнительные шрифтоносители, содержащие постоянный или изменяемый при необходимости комплект знаков, отсутствующих на основном шрифтоносителе (например, редко встречающихся в тексте специальных знаков), и используемые в отдельные моменты времени для фотографирования этих знаков.
5. По назначению:
а) шрифтоносители для набора текстов на русской графической основе;
б) шрифтоносители для набора текстов на латинской графической основе;
в) шрифтоносители для набора текстов шрифтами на основе особых графических форм (например, для набора на арабском, армянском и других языках);
г) шрифтоносители для сложных видов набора: математических, физических и химических текстов, словарей, научнотехнической литературы;
д) шрифтоносители для особых видов набора: шахматного, шашечного, нотного и др.
Каждый шрифтоноситель предназначен для набора текста шрифтом определенной гарнитуры, название или обозначение которой содержится в надписи на шрифтоносителе. В зависимости от вида набора и языка набираемого текста шрифтоносители одной и той же гарнитуры могут иметь различную раскладку (ассортимент и расположение) знаков. Применение различных раскладок шрифтоносителей позволяет набирать текст с определенным ассортиментом знаков с наибольшей производительностью, что достигается за счет рационального расположения знаков на шрифтоносителях для соответствующих видов набора. Рациональной считается раскладка, при использовании которой до минимума сокращаются среднее время поиска фотографируемых знаков и число переходов с одного шрифтового ряда на другой.

Рис. 5. Шрифтоноситель ФШТ
Основными техническими параметрами шрифтоносителей являются: общее количество знаков на шрифтоносителе, базовый кегль шрифта, то есть кегль изображенных на шрифтоносителе знаков, и кегли набора, получаемые с базового кегля при работе фотонаборной машины.
В отечественных фотонаборных машинах комплексов «Каскад» и «Квант» шрифтоноситель представляет собой полоску фотопленки с нанесенными на нее негативными изображениями знаков и специальных синхрорисок, с помощью которых осуществляются поиск и управление фотографированием требуемого знака (рис. 5). Знаки и синхрориски на шрифтоносителе размещены параллельными рядами. Каждый знак в ряду строго ориентирован относительно соответствующей синхрориски так, что левая граница его поля совпадает с ней. Шрифтоносители устанавливают на шрифтовой цилиндр фотонаборной машины попарно и закрепляют с помощью металлической ленты. Для этого на шрифтоносителе имеются прямоугольные отверстия, которыми они надеваются на штифты шрифтового цилиндра. Знаки на шрифтоносителе нанесены в одном базовом кегле, а каждый ряд используется для размещения знаков определенного начертания: прямой светлый, курсив светлый, прямой полужирный или курсив полужирный на русской или латинской графической основе.

Рис. 6. Схема размещения знаков на шрифтоносителе
Каждый знак (рис. 6) на шрифтоносителе размещен на кегельной площадке, которая по высоте равна кеглю К шрифта, а по горизонтали — ширине а соответствующего знака. Высота очка знака h обычно меньше размера К, а ширина очка Ш меньше полной ширины знака а с учетом полуапрошей, которые расположены на кегельной площадке слева и справа от очка знака, — соответственно Л и П. Таким образом, а = Л+
+ Ш + П. При фотографировании полуапроши смежных знаков образуют межбуквенные пробелы. У некоторых знаков полуапроши отсутствуют. Это позволяет при их многократном фотографировании получить непрерывную последовательность знаков без интервалов между ними, например при образовании непрерывной горизонтальной линейки в таблицах, линий дроби или линий над подкоренным выражением в формулах. Отсутствуют полуапроши и у некоторых знаков, что необходимо для стыковки их с другими наборными элементами, например радикала и горизонтальной линейки.
Линия шрифта знаков на шрифтоносителе совпадает с главной оптической осью фотонаборной машины и поэтому при фотографировании остается постоянной для шрифтов всех кеглей.
Основными требованиями, предъявляемыми к шрифтоносителям, являются высокая точность (0,01 мм) расположения знаков относительно единой линии шрифта и синхрориски, а также определенное значение оптической плотности прозрачных и непрозрачных участков, которое должно быть менее 0,08 и более 3,0 соответственно. При этом инородные включения на пленке (точки, царапины и т.п.) не должны превышать 0,02 мм и на 1 см2 шрифтоносителя должно быть не более четырех таких включений, и то в тех местах, где нет контуров знаков. Нарушение контуров знаков не должно превышать 0,01 мм.
В электронномеханических фотонаборных машинах знаки различных кеглей набора на фотоматериале получают оптическим путем за счет фотографирования базовых знаков на шрифтоносителе с некоторым коэффициентом увеличения. Например, для получения с базового кегля 6 пунктов знаков 5, 6, 7, 8, 9, 10, 12 кегля и т.д. оптическая система фотонаборной машины должна обладать увеличением соответственно 5/6, 1, 7/6, 8/6, 9/6, 5/3, 2 и т.д.
Главным параметром фотонаборной машины электронномеханического типа является количество знаков для одновременного набора, которое определяется общим количеством знаков, одновременно находящихся на шрифтоносителе в машине, количеством кеглей набора (количеством возможных коэффициентов увеличения оптической системы) и возможностью трансформации изображений знаков по ширине, высоте и углам наклона. Некоторые фотонаборные машины, в том числе и автоматы, имеют возможность оптической трансформации базового изображения шрифтовых знаков с целью получения модифицированных начертаний шрифта: узкого, широкого, наклонного.
Фотографические характеристики штрихов
К фотографическим характеристикам изображений знаков текстовых диапозитивов относятся: оптическая плотность основных и соединительных штрихов знаков, колебания оптической плотности знаков в пределах полосы, оптическая плотность прозрачных участков и величина зоны нерезкости изображений знаков. Фотографические характеристики определяют копировальную способность фотоформы. Необходимо, чтобы оптическая плотность основных и соединительных штрихов знака была не ниже 2,5 и 1,5, колебания плотности в пределах полосы — не более ±0,1, оптическая плотность прозрачных участков (фона) — не выше 0,1. Величина зоны нерезкости (размытости) границ штриха, измеренная в интервале плотностей от 0,3 до 1,2, — не более 0,05 мм. К точности размеров и положения знаков предъявляются следующие требования: отклонение знака от кегля не должно превышать ±1% от номинального значения, что для кегля 8 пунктов составляет ±0,03 мм, допустимое отклонение линии шрифта ±0,03 мм, колебания угла наклона знаков не должно быть больше ±15¢.
Дальнейшее развитие фотонабора
В период с 1950го по 1980 год в мире было создано и успешно эксплуатировалось большое количество различных моделей электронномеханических фотонаборных машин и автоматов.
Фотонаборные автоматы работали от специальной предварительно подготовленной программы управления, которая может быть записана на носитель информации (перфоленту, магнитную ленту, дискету) и введена с него в фотонаборный автомат. Управление фотонаборным автоматом может осуществляться также непосредственно от ЭВМ при соединении их в линию.
Программу управления подготавливали с помощью наборнопрограммирующего и корректурного аппаратов или на наборнокорректурном аппарате, оснащенном микропроцессором и видеотерминальным устройством. Программа может быть как полнокодовой, то есть содержащей коды знаков текста, разбитого на строки заданного формата, так и неполнокодовой, в которой содержатся коды знаков целого абзаца текста без разбивки на строки. В последнем случае формирование строк осуществляет не оператор, готовящий программу управления, а сам фотонаборный автомат, снабженный специальным электронным устройством или микропроцессором.
В электронномеханических автоматах часть технологических операций (анализ и дешифрация информации, расчет выключки строки, центрирование знака) выполняется электронными устройствами, а вывод знака на оптическую ось, развертка знаков по строке, перемещение фотоматериала — электромеханическими устройствами.
Применение электронной и микропроцессорной техники в 80е годы прошлого века позволяло автоматизировать ряд технологических операций, выполняемых фотонаборным автоматом: смену кегля набора по коду соответствующей команды, ввод и хранение информации о ширинах шрифтовых знаков для разных базовых кеглей и гарнитур шрифта, шрифтовые выделения в тексте по коду соответствующей команды до ее отмены, расчет выключки строк, формирование абзацных и концевых строк, формирование строк заданного формата с учетом правил словоделения и переносов при обработке неполнокодовой программы управления.
Комплексы фотонаборного оборудования
Внедрение фотонабора потребовало создания не только фотонаборных машин и автоматов, но и целого ряда дополнительного оборудования: установок для обработки экспонированных фотоматериалов, монтажных столов, наборнопрограммирующих и корректурных аппаратов и других технических средств.
В 1980х годах ленинградский завод «Полиграфмаш» приступил к серийному выпуску комплекса фотонаборного оборудования «Каскад», из которого можно было скомплектовать законченный наборный цех для полиграфического предприятия любого профиля. В состав комплекса фотонаборного оборудования «Каскад» входили фотонаборные автоматы ФА500, ФА500С, ФА1000, программирующие аппараты ФПВ500, ФПВ1000, корректурные аппараты ФК, ФКА и ФКТ и другие виды техники.
За создание и освоение серийного производства этого комплекса группе конструкторов и рабочих было присвоено высокое звание лауреатов Государственной премии СССР.

Рис. 7. Так выглядел 30 лет назад технологический процесс изготовления газетных фотоформ. На монтажном столе пленки с текстом и иллюстрациями соединялись вручную
С помощью фотонаборного комплекса «Каскад» в начале 1980х годов выпускались книги, журналы, различные информационные издания, а также началось внедрение комплекса в газетное производство. Технологический процесс изготовления фотоформ полос газет (рис. 7) был основан на применении наборнопрограммирующих аппаратов ФПВ500, устройств для изготовления корректурных машинописных отпечатков ФКО, устройств корректуры перфоленты с видеоэкраном ФКТ, фотонаборных автоматов ФА500С, проявочных установок ФО35Б, устройств для корректуры и монтажа позитивов ФКМ, крупнокегельной фотонаборной машины Ф96К, вертикального репродукционного фотоаппарата РВД40М, контактнокопировального станка ФКК70, проявочной установки РПП50А. Кроме того, в этой технологии для изготовления контрольных копий полос был использован ротационный электрофотографический аппарат ЭР420Р.
Системы переработки текста
В конце 1960х — начале 1970х годов в связи с быстрым развитием вычислительной техники на смену комплексам пооперационного фотонаборного оборудования пришли системы фотонабора, осуществляющие автоматизированную переработку текста и изготовление фотоформ откорректированных и сверстанных полос книжных и журнальных изданий, а также фотоформ отдельных фрагментов полос и блоков текста газет для последующего монтажа газетных страниц. При этом под системой понималась совокупность технического, программного, организационнотехнологического и шрифтового обеспечения, в которой достигалось рациональное взаимодействие управляющего технологическим процессом человека и средств автоматизации, преобразующих, перерабатывающих и воспроизводящих текст.
Основой для организации автоматизированных систем переработки текста (АСПТ) служила одна или несколько ЭВМ, объединенных с фотонаборным оборудованием в линию или работавших с ним через машиночитаемый носитель информации. В некоторых первых системах использовались специализированные, то есть специально созданные и запрограммированные для набора, правки и верстки ЭВМ, которые вскоре были заменены на быстро развивающиеся универсальные ЭВМ, в том числе мини и микроЭВМ.
На основе таких миниЭВМ отечественной промышленностью был выпущен комплекс фотонаборного оборудования «Квант», который по существу являлся системой переработки текста.
Комплекс фотонаборного оборудования «Квант» был предназначен для набора и корректуры текста, верстки полос и изготовления текстовых фотоформ на фотопленке или фотобумаге. С помощью оборудования комплекса можно было набирать книжножурнальные издания любой группы технологической сложности, районные газеты и еженедельники формата А3, а также другие виды полиграфической продукции. Набор текста выполнялся одновременно с четырех шрифтоносителей, на которых находилось до 16 комплектов шрифтов по 126 знаков в каждом. При этом имелась возможность смешивания в строке различных шрифтов и кеглей набора. Оборудование позволяло набирать текст на различных языках шрифтами кеглей от 5 до 36 п. в автоматическом и до 156 п. в полуавтоматическом режиме. Максимальный формат строк текста составлял 62 цицеро.
В состав фотонаборного комплекса «Квант» входили: наборнокорректурные аппараты ФНК, верстальный аппарат ФВ, фотонаборная машина ФА2000, крупнокегельная фотонаборная машина Ф156К, установка для получения контрольного текста ФКУ2000, установка для обработки фотоматериалов ФО50, монтажный стол ФСМ. В качестве носителей информации в комплексе использовались гибкие магнитные диски (ГМД).
Наборнокорректурный аппарат ФНК был предназначен для набора и корректуры текста любой технологической сложности, в том числе содержащего формулы, таблицы, линейки. Продукцией аппарата являлась полнокодовая, то есть содержащая все необходимые команды и параметры, программа для набора текста на машине ФА2000 или установке ФКУ2000. При этом текст набирался в виде гранок с отдельными элементами верстки. Кодируемые оператором на клавиатуре аппарата ФНК текст и служебная информация (данные по полиграфическому оформлению, режиму работы аппарата, наименование заказа) отображались на экране видеотерминала удобным для чтения шрифтом и записывались на гибком магнитном диске.
Появление и успешное внедрение АСПТ было обусловлено научнотехническими достижениями в области программноаппаратных средств вычислительной техники и электронных устройств вводавывода информации (читающие автоматы, видеотерминальные устройства, каналы связи и т.д.). АСПТ существенно расширила технологические возможности процесса фотонабора, позволила сократить сроки подготовки и выпуска изданий, повысить качество переработки текста и экономическую эффективность производства за счет автоматизации практически всех технологических операций по переработке и фотонабору полос текста.
Практически все разработчики и производители фотонаборного оборудования от поставки отдельного пооперационного оборудования на этом этапе развития фотонаборной техники перешли к поставке автоматизированных систем переработки текста.

Рис. 8. Структурная схема автоматизированной системы переработки текста
В нашей стране на основе универсальных вычислительных машин серии ЕС ЭВМ и СМ ЭВМ были разработаны системы «Союз», «АККОРД», СПТ «КаскадСМ» и др. Например, в системе «Союз» (рис. 8), разработанной Московским полиграфическим институтом, ввод текстовой информации осуществлялся с клавиатуры или носителя информации. Ввод формул и таблиц был значительно упрощен за счет хранящихся в памяти системы заранее созданных типовых формульных и табличных структур, требующих в основном только конкретного их заполнения оператором. Формирование строк, расчет выключки строк, контроль за соблюдением правил набора, формирование заголовков, формул и таблиц при подготовке программы управления фотонаборным автоматом осуществлялись в системе автоматически.
ЭВМ обрабатывала текст и выводила его на строкопечатающее устройство для изготовления корректурного отпечатка. После корректорской вычитки отпечаток передавался на видеотерминал для правки. Правка текста и составление программы управления фотонаборным автоматом производились в памяти системы оператором с помощью видеотерминального устройства или автоматически специальной программой проверки орфографии текста. Полосы книжных и журнальных изданий могли верстаться в системе автоматически в пакетном режиме, при котором ЭВМ задаются только параметры полос, а разбивку текста на полосы, заверстку заголовков, таблиц и других элементов система производит сама. При этом в сверстанных полосах оставляется необходимое место под иллюстрации.
Сложная верстка полос осуществлялась в режиме диалога оператора с ЭВМ посредством видеотерминального устройства. На этом видеотерминале задавались параметры оформления и расположения текста, а затем на его экране воспроизводился графический макет верстки. Варьируя параметры оформления и оценивая с помощью экрана результат, оператор находил удовлетворительный вариант верстки полосы. В случае необходимости редакционные изменения вносились в текст при верстке на видеотерминале. Фотонаборный автомат выводил текст на фотоматериал пополосно, а если формат полосы был больше форматных возможностей автомата, то поблочно или отдельными фрагментами.
АО «Ленполиграфмаш» с 1986 года начало серийно поставлять издательствам и полиграфическим предприятиям автоматизированную систему переработки текста СПТ «КаскадСМ» на основе управляющего вычислительного комплекса УВК СМ ЭВМ.
За время серийного выпуска АО «Ленполиграфмаш» ввело в промышленную эксплуатацию более 20 таких систем для изготовления фотоформ книжной и журнальной продукции.
